星空天美星空高清MV免费观看-麻花天美星空MV免费观看完整版-星空无痕MV免费视频观看-天美MV星空MV免费观看-麻花星空无限传媒有限公司官网-麻花星空影视在线看电视免费版

歡迎您訪問上海寶予德科學儀器有限公司官方網站官網
Language

新聞資訊

您當前的位置:首頁 > 新聞資訊 > 公司新聞
公司新聞

核酸濃度檢測指南(一)

更新日期:2017年3月17日 大字 小字

于從事 DNA、RNA 或蛋白質相關研究的科學家而言, 經常需要對起始核酸/蛋白樣品進行質量評估,未進行樣品質控將可能導致數據差錯,得出錯誤結論。如 qPCR 等分子生物學技術沿用較小體積樣品,因此這些樣品的質量至關重要,且有的應用(如: NGS 的文庫制備)需要進行準確的濃度檢測以進行后續的均一化。

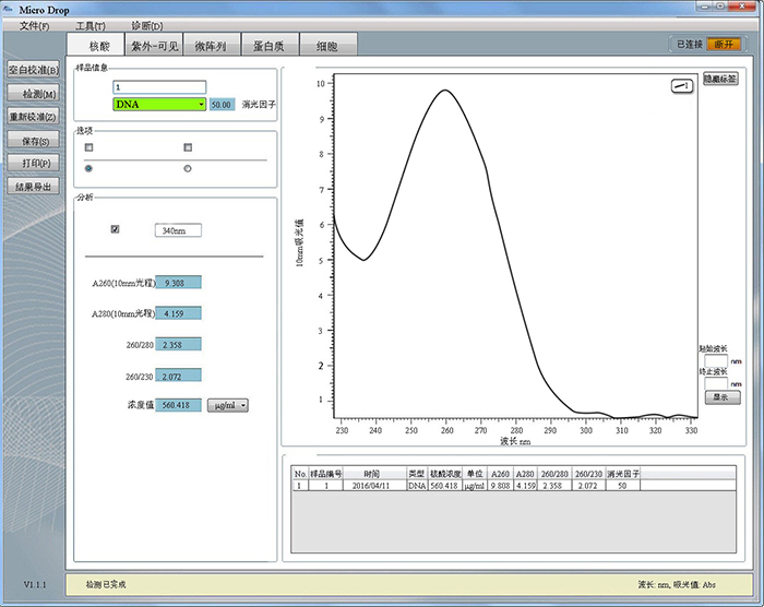
Micro Drop為一款全光譜波長(185~910nm)超微量分光光度計,兼具基座和比色皿上樣雙檢測模式, 適用于更寬濃度范圍的樣品檢測,基座上樣檢測操作步驟僅需三步(微量移液器加樣—平板電腦控制檢測—無絨紙擦拭)即可完成,無需昂貴的耗材,也無需進行繁瑣的清洗及稀釋步驟,快速高效。


操作步驟

1、清潔:首先,用移液器滴加去離子水2 -3μlMicro Drop下部樣品基座,關閉上臂,確保上層基座與去離子水接觸。停留30秒,用實驗室潔凈無絨紙將上樣檢測系統的上部和下部的光學表面擦拭干凈。


2、打開Micro Drop軟件,并選擇核酸應用程序。用移液器滴加1μl緩沖液(溶解待測樣品的液體)至樣品基座光學表面,選擇空白檢測以執行空白測量。一旦空白測量完成后,用實驗室潔凈無絨紙將上樣檢測系統的上部和下部的光學表面擦拭干凈。

3、輸入樣品編號,選擇檢測的樣品類型(默認的設定為DNA,消光因子為50)。用移液器滴加樣品0.5-2μlMicro Drop下部樣品基座,關閉上臂,選擇“檢測”,軟件會自動計算出的核酸濃度和純度比例,3-5秒內,即可顯示實驗結果及光譜圖。



每個樣品測量完成后,用實驗室潔凈無絨紙將上樣檢測系統的上部和下部的光學表面擦拭干凈,即可進行下一個樣本的檢測。(建議連續使用Micro Drop約30min后再次進行一次空白檢測)。所有檢測結束后,重復步驟1,清潔樣品檢測臺。


想了解更多超微量分光光度計的操作注意事項及影響因素,請繼續關注小寶下期精彩推送!